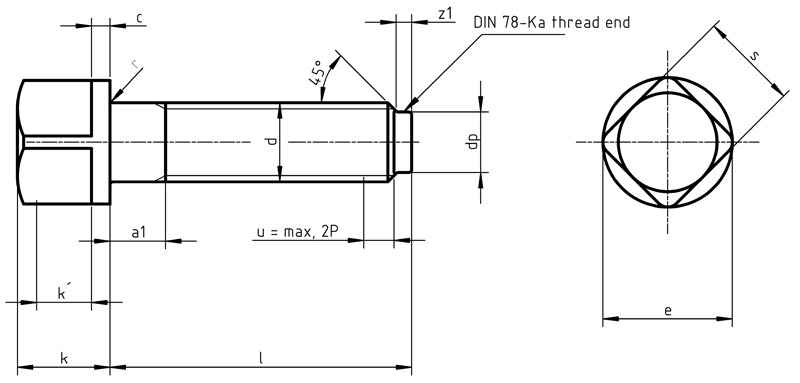
Śruby dociskowe (imakowe)
- Normy:
- DIN 480
- PN 82308
- ISO -
- Material i klasa:
- 8,8 / 10,9
- Pokrycie:
- cynk galwaniczny
| d | M8 | M10 | M12 | M16 | M20 | M24 |
| S | 8 | 10 | 13 | 17 | 22 | 24 |
| e | 10 | 13 | 17 | 22 | 28 | 32 |
| a1 | 4 | 4,5 | 5,3 | 6 | 7,5 | 9 |
| dp | 5,5 | 7 | 8, | 12 | 15 | 18 |
| r | 0,4 | 0,4 | 0,6 | 0,6 | 0,8 | 0,8 |
| k | 11 | 13 | 16 | 20 | 25 | 28 |
| z3 | 2 | 2,5 | 3 | 4 | 5 | 6 |
| z4 | 1 | 1 | 1,25 | 1,75 | 2 | 2,5 |
