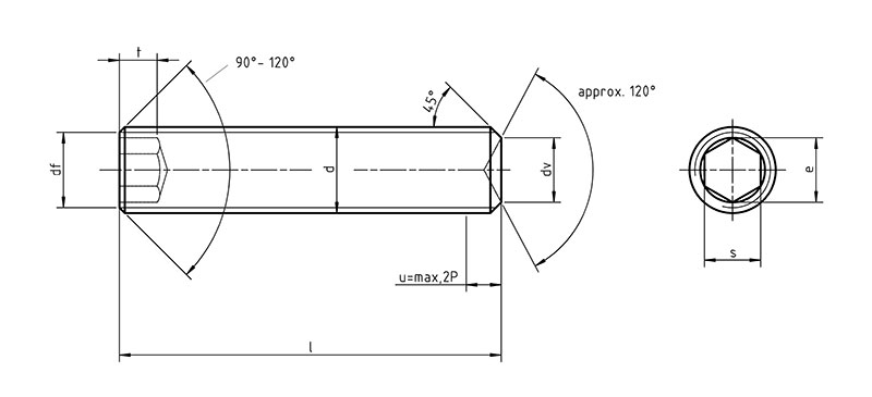
Wkręt dociskowy z gniazdem imbusowym z końcem wgłębionym
- Normy:
- DIN 916
- PN 82317
- ISO 4029
- Material i klasa:
- 45H / A2 / A4
- Pokrycie:
- cynk galwaniczny
| d | M2 | M2,5 | M3 | M4 | M5 | M6 | |
| S | 0,9 | 1,3 | 1,5 | 2 | 2,5 | 3 | |
|
dv |
min. | 0,75 | 0,95 | 1,15 | 1,75 | 2,25 | 2,75 |
| max. | 1 | 12 | 1,4 | 2 | 2,5 | 3 | |
| d | M8 | M10 | M12 | (M14) | M16 | (M18) | M20 | (M22) | M24 | |
| S | 4 | 5 | 6 | 6 | 8 | 10 | 10 | 12 | 12 | |
|
dv |
min. | 4,7 | 5,7 | 7,64 | 8,64 | 9,64 | 11,57 | 13,57 | 15,57 | 15,57 |
| max. | 5 | 6 | 8 | 9 | 10 | 12 | 14 | 16 | 16 | |
()-wymiary nie zalecane
